CD/CG重载液压缸
|
|
|
| 本系列液压缸是由14种缸径,分别按两种速比组成28种规格的单活塞双作用差动大型油缸。另外缸规格∕技术参数头法兰、中间轴销和底座安装三种还可作成双活塞双作用等速大型油缸,再加上有无缓冲与上述28种规格组成384个品种。其安装形式和尺寸符合德国钢厂和ISO3320标准,特别适合环境恶劣、重载的工作状态。广泛应用于钢铁、铸造、锻造及机械制造等工业部门。 工作条件:工作压力MPa:25、35 工作介质:矿物油、磷酸油和水-乙二醇无杆腔 工作温度℃:-30~+100 介质粘度cst:2.8~380 速度m/s:0.5(采用特殊密封可达到15) |
||||
| ※型号选择: CD 25 E D/d 。 CD -种类:CD=差动缸;CG=等速缸 。 25 -工作压力:250=25MPa;350=35MPa 。 E -安装形式:A=尾部单耳环带衬套;B=尾部单耳环带关节轴承;C=前法兰;D=后法兰;E=中间轴销;F=底座 。 D/d -缸径/杠径(详见下表) 。 S -行程 。 A -缸头、缸底连接方式:A=两端均以螺纹连接;B=缸头螺纹连接、缸底焊接(D≤100) 。 10 -系列号:10=10系列;10~19系列尺寸相同 。 02 -接口:01=英制螺纹;02=公制螺纹 。 C -活塞杆材质:C=45钢表面镀硬铬;H=50钢表面镀硬铬;L=1Cr17Ni2钢表面镀硬铬 。 G -活塞杆螺纹:G=用于耳环GA、GAK及SA的螺纹;A=用于GAS耳环的螺纹 。 U -缓冲:U=无缓冲;D=带缓冲 。 M -油介质:M=矿物油,丁晴橡胶密封;V=磷酸酯氟橡胶密封 。 T -密封结构:T=滑动环组合密封;A=V型密封圈组 。 |
||||
![]() |
||||
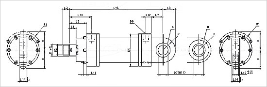
| ※CG250C、CG350C系列等速重载液压缸外形尺寸: | ||||
![]() |
||||
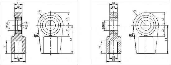
| ※CD250、CG250、CD350、CG350系列重载液压缸附件外形尺寸: | ||||
|
||||
![]() |








