|
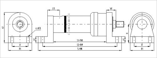
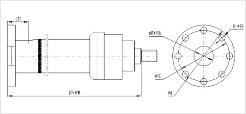
※尾部方法兰型外形尺寸(YHG1-**/*×**F6-*L1*)
|
|
|
|
缸径
|
40
|
50
|
63
|
80
|
90
|
100
|
110
|
125
|
|
ZF
|
206
|
225
|
249
|
282
|
302
|
332
|
342
|
357
|
|
BA
|
20
|
30
|
38
|
55
|
55
|
68
|
60
|
80
|
|
L11
|
42
|
38
|
50
|
75
|
75
|
79
|
82
|
82
|
|
FB
|
9
|
11.5
|
13.5
|
17.5
|
22
|
22
|
22
|
22
|
|
S1
|
65
|
80
|
95
|
110
|
120
|
135
|
145
|
160
|
|
S2
|
90
|
110
|
130
|
150
|
165
|
180
|
190
|
205
|
|
| |
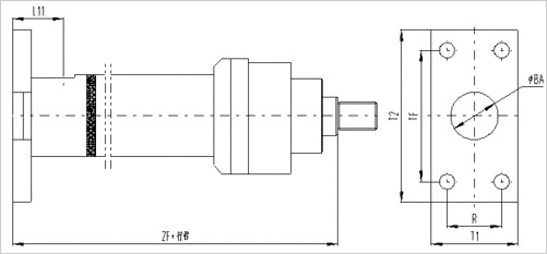
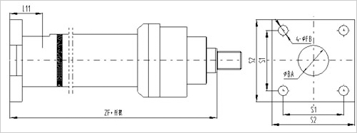
| ※中间轴销型外形尺寸(YHG1-**/*×**Z2-*L1*) |
|
|
|
缸径
|
40
|
50
|
63
|
80
|
90
|
100
|
110
|
125
|
140
|
|
ZB
|
198
|
213
|
234
|
260
|
280
|
310
|
320
|
335
|
345
|
|
TD
|
20
|
25
|
32
|
40
|
45
|
50
|
55
|
63
|
70
|
|
TL
|
16
|
20
|
25
|
32
|
36
|
40
|
45
|
50
|
55
|
|
TM
|
90
|
105
|
120
|
135
|
145
|
160
|
176
|
195
|
210
|
|
T
|
122
|
145
|
170
|
199
|
217
|
240
|
265
|
295
|
320
|
|
I
|
>135<130+L
|
>160<125+L
|
>165<125+L
|
>180<140+L
|
>195<145+L
|
>220<165+L
|
>230<165+L
|
>245<180+L
|
>250<175+L
|
|
| |
|
缸径
|
150
|
160
|
180
|
200
|
220
|
250
|
280
|
320
|
|
ZB
|
360
|
380
|
425
|
465
|
510
|
575
|
630
|
695
|
|
TD
|
75
|
80
|
90
|
100
|
110
|
125
|
142
|
160
|
|
TL
|
60
|
63
|
70
|
80
|
90
|
100
|
110
|
125
|
|
TM
|
225
|
240
|
265
|
295
|
330
|
370
|
420
|
470
|
|
T
|
345
|
366
|
405
|
455
|
510
|
570
|
640
|
720
|
|
I
|
>265<180+L
|
>285<190+L
|
>315<210+L
|
>350<240+L
|
>370<265+L
|
>430<295+L
|
>470<340+L
|
>525<385+L
|
|
| |
|
※尾部轴销型外形尺寸(YHG1-**/*×**Z2-*L1*)
|
|

|
|
缸径
|
40
|
50
|
63
|
80
|
90
|
100
|
110
|
125
|
140
|
150
|
160
|
180
|
200
|
220
|
250
|
280
|
320
|
|
XJ
|
202.5
|
220
|
242
|
272.5
|
295
|
327.5
|
340
|
350
|
372.5
|
390
|
412.5
|
457.5
|
502.5
|
547.5
|
615
|
672.5
|
742.5
|
|
TD
|
20
|
25
|
32
|
40
|
45
|
50
|
55
|
63
|
70
|
75
|
80
|
90
|
100
|
110
|
125
|
142
|
160
|
|
TL
|
16
|
20
|
25
|
32
|
36
|
40
|
45
|
50
|
55
|
60
|
63
|
70
|
80
|
90
|
100
|
110
|
125
|
|
TC
|
90
|
105
|
120
|
135
|
145
|
160
|
175
|
195
|
210
|
225
|
240
|
265
|
295
|
330
|
370
|
420
|
470
|
|
T
|
122
|
145
|
170
|
199
|
217
|
240
|
265
|
295
|
320
|
345
|
366
|
405
|
455
|
510
|
570
|
640
|
720
|
|
BA
|
20
|
30
|
38
|
38
|
55
|
55
|
68
|
60
|
95
|
105
|
110
|
110
|
120
|
140
|
160
|
180
|
200
|
|
L11
|
38.5
|
33
|
43
|
58.5
|
68
|
74.5
|
80
|
84
|
90.5
|
94
|
101.5
|
112.5
|
117.5
|
132.5
|
145
|
152.5
|
162.5
|
|
| |
|
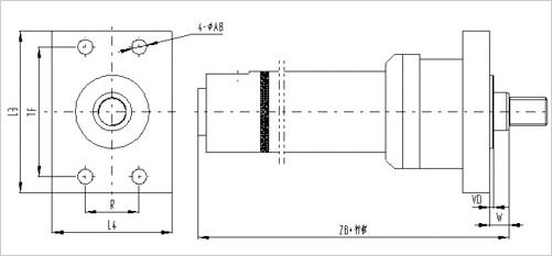
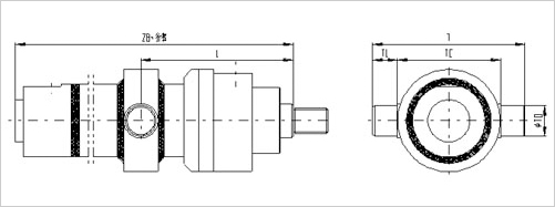
※尾部轴销型外形尺寸(YHG1-**/*×**Z3-*L1*)
|
|

|
|
缸径
|
40
|
50
|
63
|
80
|
90
|
100
|
110
|
125
|
140
|
150
|
160
|
180
|
200
|
220
|
250
|
280
|
320
|
|
S
|
286
|
285
|
329
|
366
|
405
|
433
|
443
|
485
|
503
|
516
|
564
|
610
|
645
|
710
|
774
|
850
|
952
|
|
S1
|
158
|
176
|
179
|
196
|
215
|
243
|
253
|
265
|
273
|
286
|
304
|
340
|
375
|
410
|
454
|
500
|
552
|
|
S2
|
228
|
247
|
279
|
316
|
345
|
373
|
383
|
415
|
433
|
446
|
484
|
530
|
565
|
620
|
684
|
750
|
832
|
|
WF
|
32
|
38
|
45
|
54
|
55
|
57
|
57
|
60
|
62
|
64
|
66
|
70
|
75
|
80
|
96
|
100
|
108
|
|
H
|
60
|
75
|
85
|
105
|
116
|
125
|
135
|
150
|
155
|
165
|
175
|
190
|
205
|
225
|
255
|
275
|
310
|
|
h1
|
18
|
22
|
28
|
35
|
35
|
35
|
35
|
35
|
40
|
40
|
40
|
45
|
45
|
50
|
60
|
65
|
70
|
|
h2
|
100
|
115
|
140
|
172
|
195
|
213
|
233
|
256
|
270
|
290
|
305
|
330
|
360
|
395
|
445
|
480
|
545
|
|
R
|
45
|
55
|
70
|
90
|
100
|
125
|
145
|
155
|
170
|
185
|
190
|
200
|
220
|
250
|
300
|
320
|
370
|
|
R1
|
80
|
90
|
110
|
134
|
158
|
175
|
195
|
212
|
230
|
245
|
260
|
280
|
310
|
340
|
380
|
410
|
470
|
|
FB
|
13.5
|
13.5
|
17.5
|
17.5
|
22
|
22
|
22
|
26
|
26
|
26
|
33
|
33
|
33
|
39
|
39
|
45
|
52
|
|
L11
|
42
|
48
|
50
|
68
|
75
|
79
|
82
|
82
|
88
|
90
|
95
|
105
|
105
|
120
|
136
|
140
|
143
|
|